公司资质   Honor
联系我们   Contact
你的位置:首页 > 公司资质

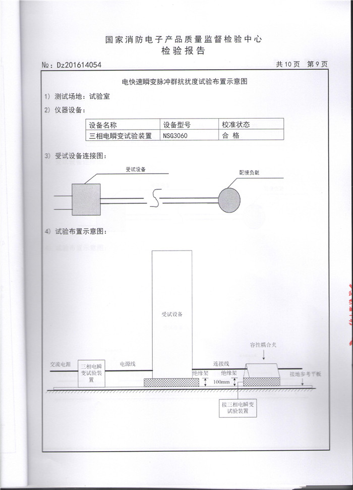
消防CCCF 测试报告XFPY-5.5

2017/10/24 10:30:40

暂无图片。

详细介绍
更多图片